High Resolution High Frame Rate HD 1080P 4K 8mm 25mm 35mm PTZ IP Gimbal with Gyro Stabilized Imaging and Laser Optical Zoom Mini Security Flir Thermal Camera

Still deciding? Get samples of $ !
Order Sample

Product Description

Basic Information

Model NO.:LM120-4 Electro-Optical Gimbal Pod
Type:IP Camera
Sensor:CMOS
HDMI Format:1080P
Horizontal Resolution:540tvl
Certification:CCC, EMI/EMC, ISO9001
Stabilization:0.1mrad (1σ,1°/2Hz)
Operating Temp:-40℃ ~ +60 ℃
Electro-Optical Gimbal Pod Banner

Product Description

Airborne Pod - Guidance Pod: The airborne guidance pod is an essential equipment in modern warfare that guides guided weapon systems to carry out precise strikes on targets by capturing, identifying, and tracking them. The guidance pod improves the strike capability, self disturbance rejection capability, and identification and tracking ability of the guided weapon system.

It can be widely used in battlefield reconnaissance, border patrol, customs anti-smuggling, search and rescue, etc.

Model and Technical Features

  • LM80-2-1: Dual-light combination (visible + infrared), target tracking, weight < 260g.
  • LM80-2-2: Dual visible light imaging, target recognition, weight < 240g.
  • LM110-1-35 / LM120-1-40: Fixed focus infrared imaging, day/night monitoring, weight 380g-460g.
  • LM120-4: Quad-light combination (dual visible, infrared, laser), weight < 500g.
Model Features

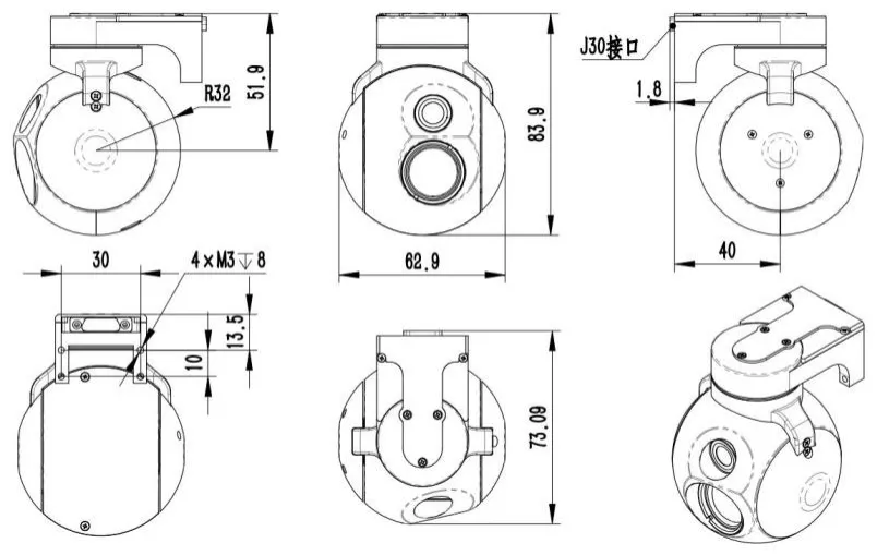
Interface Dimensions

LM80-2-1 Dimensions LM80-2-2 Dimensions
LM110 Dimensions LM120-4 Dimensions

Technical Specifications

Parameter Detail
AI Recognition FunctionYes
Tracking FunctionYes
Heading Range-145° ~ +145°
Pitch Range-110° ~ +40°
Max Angular Velocity≥100°/s
Tracking Speed≥40°/s
Stabilization Accuracy0.1mrad (1σ,1°/2Hz)
Angular Position Accuracy≤ 0.3°(RMS)
Power InterfaceDC12V ~ 28V
Control InterfaceRS232 / RS422 / UART
Video InterfaceFast Ethernet
Launch Shock Resistance≥120g 10ms / ≥200g 6ms
Power ConsumptionAverage ≤ 10W, Max ≤ 20W

Professional Capabilities

We are a national high-tech enterprise specializing in intelligent technology research and application. Our focus lies in three core areas: unmanned equipment detection/interception systems, multispectral image processing, and high-precision servo control.

  • Technology Led: Integrated "perception-decision-execution" chain with AI-driven image processing.
  • Dual Track Development: Serving both infrastructure digital transformation and defense modernization.
  • Quality Assurance: R&D personnel account for over 60%, with strict testing for high/low temperatures, salt spray, and shock.
  • International Standards: Certified management systems for quality, environment, and information security.
Facility Visit R&D Center

Packaging & Shipping

Package Size:50.00cm * 50.00cm * 50.00cm
Gross Weight:10.00kg
Lead Time:45 days (1-1 pcs), Negotiable (>1 pcs)
Shipping Logistics

Frequently Asked Questions

How is the performance of your products?
Our products are tested and verified in real-world scenarios and battlefield conditions; they are highly reliable.
Can these pods operate in GPS-denied environments?
Yes. Our products are integrated with terrain mapping and inertial navigation systems to ensure functionality without GPS.
Do you provide technical support for product application?
We provide comprehensive training at our factory and continuous online technical support.
How do customers integrate these products with other systems?
Our pods are equipped with standard interfaces (Ethernet, RS232/RS422) and connectors for easy integration.
Can your products operate in total darkness?
Yes, the products are equipped with both visible light and thermal infrared cameras, supporting 24/7 day and night operations.
Are you the original manufacturer?
We are the original manufacturer with our own dedicated R&D centers and manufacturing facilities.

Related Products